AR-XY-10A
Доступен для скачивания
краткий каталог продукции:
Электропневматический минираспределитель прямого действия AR-XY-10A может использоваться как самостоятельное устройство, так и в качестве пилотного распределителя (катушки) для серии пневмораспределителей ARP-XY
Особенности:
Версия: 2025-10-06-СДГ
Особенности:
- Тип распределителя: 3/2, нормально закрытый
- Установка: на монтажную плиту (одиночный или блочный монтаж)
- Может использоваться в качестве пилотного распределителя, например для пневмораспределителей ARP-XY в роли сменной катушки
- Время срабатывания менее 10 мс
- Пониженное энергопотребление
- Компактный размер
- Долгий срок службы
| Параметр | Значение |
| Тип распределителя | 3/2, нормально закрытый |
| Рабочая среда
| Сжатый очищенный воздух (тонкость очистки 40 мкм)
|
| Диаметр условного прохода
| 0,7 мм
|
| Присоединение | 3 отв. 1,5×2 мм |
| Рабочее давление | 0,15...0,7 МПа |
| Питание
| =24 В, =12 В |
| Допуск по напряжению
| ±10% |
| Мощность катушки
| 1 Вт
|
| Температура эксплуатации | −5…+50°C |
| Степень пылевлагозащиты
| IP65 |
| Наработка на отказ
| 50 000 000 циклов
|
| Материал корпуса распределителя
| Пластик (полиацеталь, полифениленсульфид) |
| Материал уплотнения | NBR |
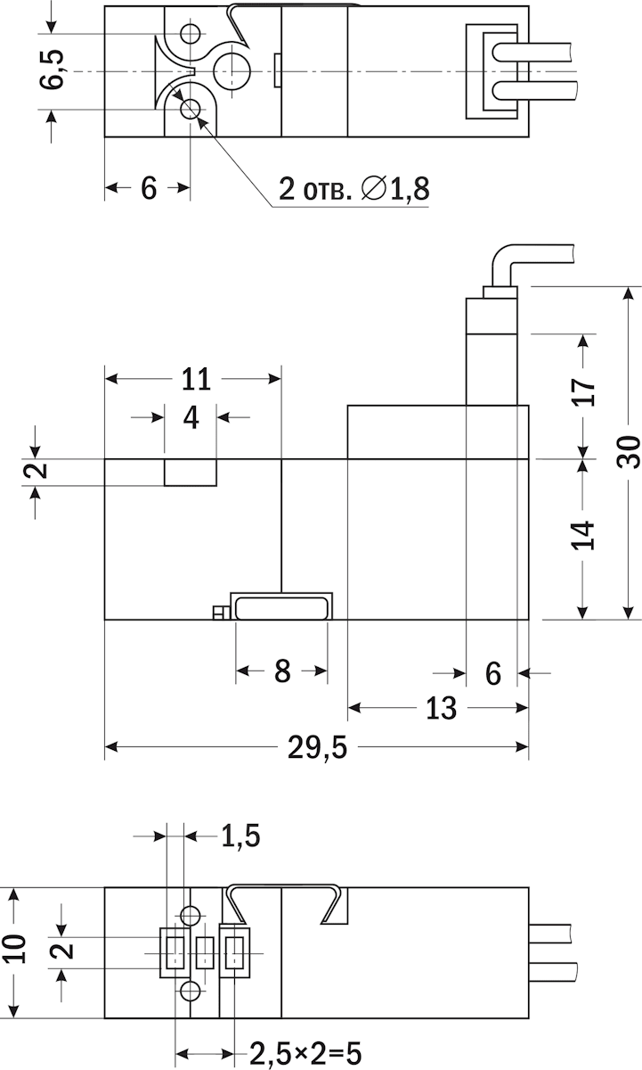
| Габаритные размеры | 30×29,5×10 мм |
| Вес
| 15 г
|
| Габаритные размеры |
![]() |
Версия: 2025-10-06-СДГ
| Документ | Дата обновления |
| Паспорт на AR-XY-10A | 07.10.2025 |
