AR-SNT-1116
Доступен для скачивания
краткий каталог продукции:
Радиатор предназначен для использования с твердотельными реле ARC-SSR или аналогичными.
Без отвода тепла твердотельное реле способно коммутировать заявленный номинальный ток при температуре не более +40ºС. При увеличении температуры снижается пропускная способность реле из расчета 20...25% на каждые 10ºС. При температуре около +80ºС пропускная способность сводится к нулю, реле выходит из строя. Поэтому при коммутации тока более 5 А необходимо дополнительное охлаждение – с помощью радиатора. При выборе радиатора для твердотельных реле не существует однозначного соответствия между типом радиатора и мощностью реле. На охлаждение влияет множество факторов: место установки, температура окружающей среды, циркуляция воздушных потоков, нагрузка на твердотельном реле и т.д. В некоторых случаях для более эффективного охлаждения (высокая температура воздуха, монтаж реле в закрытом шкафу и пр.) необходимо использовать радиатор большего размера и/или устанавливать вентилятор.
Для обеспечения эффективного теплоотвода необходимо использовать теплопроводящую пасту, например КПТ-А-10, КПТ-А-20. Паста заполняет воздушные пустоты между поверхностью радиатора и основанием реле, повышая эффективность теплоотдачи.
Для максимально плотного прилегания поверхностей реле и радиатора необходимо использовать крепежные винты.
Радиатор охлаждения должен располагаться таким образом, чтобы потоки естественной циркуляции воздуха проходили вдоль ребер охлаждения радиатора.
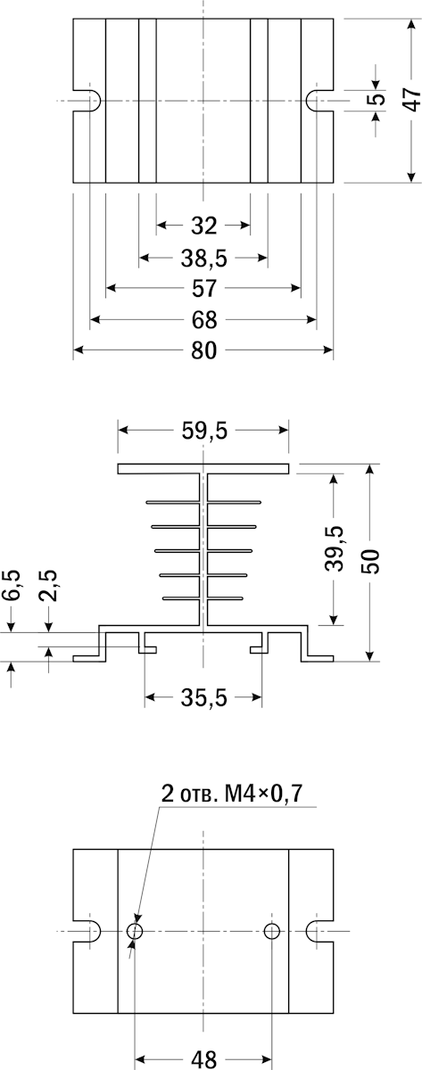
Технические характеристики:
| Параметр | Значение |
|
Ток нагрузки
| однофазные реле до 16 А без
принудительного охлаждения |
|
Материал
| алюминиевый сплав
|
|
Монтаж
| на плоскость
на DIN-рейку ТН35 |
|
Расстояние между монтажными отверстиями для крепления реле
| 48 мм
2 отв., М4×0,7 |
| Расстояние между монтажными отверстиями для крепления радиатора на плоскость | 68 мм
2 места, ∅ 5 мм |
| Габаритные размеры | 50×80×50 мм |
| Вес | 65 г |
| Габаритные размеры |
![]() |
Версия: 2026-02-05-СДГ
